

- 微信客服
工作时间 09:00-23:00
天津市高等教育自学考试课程考试大纲
课程名称:建设工程工程量清单计价实务 课程代码:04228
第一部分 课程性质与目标
一、课程性质与特点
本课程是高等教育自学考试工程造价(专升)专业的一门专业必修课,它是一门综合性及实用性较强的课程。本课程为学生确定建筑与装饰工程的工程量与工程造价奠定基础,为学生具备编制招标控制价与投标报价等工程实践能力提供途径,同时为后续专业课提供知识储备。
二、课程目标与基本要求
设置本课程的目的是使学生掌握工程造价确定的基本理论和方法,使学生具备运用定额、造价指标确定工程建设过程各阶段工程造价的能力。要求学生掌握工程造价的基本概念、特点及构成;掌握建筑面积计算规范、建筑与装饰装修工程的工程量计算规则并能编制工程量清单;掌握施工图预算、清单计价的编制原理、编制方法并能编制施工图预算、招标控制价、投标报价等计价文件。
三、与相关课程的联系与区别:
本课程与工程造价专业的其他基础与专业课程有密切的联系。它以《工程定额原理》等课程为基础,又对《工程审计》、《工程造价管理》、《安装工程技术计量与计价》等课程起补充配合作用。
第二部分 考核内容与考核目标
第一章 工程造价计价概论
一、学习目的与要求
了解工程造价管理的基本内容及其发展历史,掌握工程造价的基本概念。了解国际工程的造价构成,掌握我国现行工程造价的构成。理解施工过程的概念及细分,掌握定额的分类与应用,理解工程定额的编制依据、编制原理。
二、考核知识点与考核目标
(一)工程造价概述(次重点):
识记:工程造价的基本概念。
建设项目投资的概念。
理解:工程建设程序。
工程造价的计价特点及多次性计价过程。
应用:建设项目分解过程及工程计价顺序。
(二)工程造价的构成(重点):
识记:我国现行工程造价的构成。
设备及工器具购置费的构成。
工程建设其他费用的构成。
理解:建筑安装工程费按照费用构成要素划分。
建筑安装工程费按照工程造价形成过程划分。
应用:建设期贷款利息计算。
基本预备费和价差预备费的计算。
(三)工程造价计价依据(次重点):
识记:工程定额体系及分类。
理解:劳动定额、材料消耗定额、机械台班使用定额的编制原理。
预算定额、概算定额、概算指标的编制。
应用:人工、材料、机械单价的计算。
第二章 工程造价计价基本理论
一、学习目的与要求
了解工程结构分解的概念,理解工程计价基本原理,熟悉现行工程量清单计价规范、掌握工程量清单的构成及编制,综合单价的确定方法,掌握工程计价程序,掌握定额计价与清单计价两种计价方法。
二、考核知识点与考核目标:
(一)工程结构分解(次重点):
识记:工程结构分解的概念。
理解:工程结构分解方法。
应用:按工程项目建设全过程的管理工作进行分解。
按项目的组成结构进行分解。
(二)工程造价计价基本原理(一般):
识记:工程费用的基本计算表达式。
应用:单位价格的计算。
(三)综合单价的确定(重点):
识记:综合单价的概念。
工程量清单的基本概念及构成。
理解:综合单价的构成及确定程序。
应用:全费用综合单价的计算步骤。
不完全费用综合单价的计算步骤。
(四)工程造价计价程序与方法(次重点):
识记:工料单价法计价程序。
综合单价法计价程序。
理解:工料单价法与综合单价法的区别与联系。
应用:单位工程计价程序与方法。
单项工程计价程序。
第三章 工程计量
一、学习目的与要求
掌握建筑面积计算规则,熟悉现行房屋建筑与装饰工程工程量计算规范,掌握建筑工程中土石方工程、桩与地基基础工程、砌筑工程、砼和钢筋砼工程以及保温、防水工程计量规则,掌握施工措施项目计量规则,熟悉装饰装修工程计量规则,理解工程量清单和地方预算定额计量规则的不同用途。
二、考核知识点与考核目标
(一)建筑面积计算(次重点):
识记:《建筑工程建筑面积计算规范》中建筑面积计算规则。
理解:建筑面积的计算范围及计算方法。
应用:根据工程图纸计算建筑面积。
(二)建筑工程计量(重点):
识记:基础数据-三线一面。
土石方工程的计算规则。
桩与地基基础工程的计算规则。
砌筑工程的计算规则。
混凝土及钢筋混凝土工程的计算规则。
屋面及防水工程的计算规则。
防腐、隔热、保温工程的计算规则。
理解:分部分项工程的工程量计算原则、计算依据及计算方法。
应用:外墙中心线、外墙外边线和内墙净长线的计算。
根据工程图纸计算土石方工程的工程量。
根据工程图纸计算桩与地基基础工程的工程量。
根据工程图纸计算砌筑工程的工程量。
根据工程图纸计算混凝土及钢筋混凝土工程的工程量。
根据工程图纸计算屋面及防水工程的工程量。
根据工程图纸计算保温工程的工程量。
(三)装饰装修工程计量(重点):
识记:楼地面工程的计算规则。
墙、柱面工程的计算规则。
天棚工程的计算规则。
门窗工程的计算规则。
油漆、涂料、裱糊工程的计算规则。
理解:分部分项工程的工程量计算原则、计算依据及计算方法。
应用:根据工程图纸计算楼地面工程的工程量。
根据工程图纸计算墙、柱面工程的工程量。
根据工程图纸计算天棚工程的工程量。
(四)施工措施项目(重点):
识记:计量规范规定不宜计量的措施项目所包含的内容。
计量规范规定可以计量的措施项目所包含的内容。
理解:总价措施项目费和单价措施项目费的区别。
应用:总价措施项目费的计算。
单价措施项目费的计算。
第四章 工程造价的确定
一、学习目的与要求
掌握工程量清单计价文件的编制原理,掌握招标控制价、投标报价、施工图预算文件的编制依据、编制方法和格式要求。
二、考核知识点与考核目标
(一)项目决策阶段工程造价的确定(一般):
识记:投资估算的内容与组成。
理解:项目决策阶段影响工程造价的主要因素。
投资估算的阶段划分与精度要求。
应用:静态投资部分估算方法。
动态投资部分估算方法。
流动资金估算方法。
(二)设计阶段工程造价的确定(次重点):
识记:设计概算的含义、内容及编制依据。
施工图预算文件的组成。
理解:设计概算的编制程序。
施工图预算的编制程序。
应用:单位工程概算的编制方法。
单项工程综合概算的编制方法。
建设项目总概算的编制方法。
施工图预算的编制方法。
(三)施工准备阶段工程造价的确定(重点):
识记:标底的概念、作用、编制依据及编制原则。
投标报价的概念、依据、编制程序和编制方法。
工程量清单报价的标准格式。
理解:标底价格的计价方法和需要考虑的因素。
报价策略和报价技巧。
应用:工程量清单报价案例分析。
(四)施工阶段工程结算价格的确定(重点):
识记:工程合同对工程价款应约定的内容。
我国现行工程价款的主要结算方式。
理解:施工阶段工程价款的结算方法。
应用:工程预付款支付与扣还。
工程价款期间结算与动态结算。
质量保证金扣留与返还。
工程竣工结算。
工程变更价款确定方法。
施工索赔价款确定方法。
(五)竣工决算价格的确定(次重点):
识记:竣工决算的概念及组成。
理解:竣工决算的编制方法。
应用:竣工决算的编制实例。
第三部分 有关说明与实施要求
一、考核目标的能力层次表述
本课程的能力考核目标共分为三个能力层次:“识记”、“理解”、“应用”。各能力层次为递进等级关系,后者必须建立在前者的基础上,其含义是:
识记:能够识别和记忆本课程中的有关名词、概念及规律的主要内容,并能够根据考核的不同要求,做出正确的表述、选择和判断。
理解:能够领悟和理解本课程中有关概念及规律的内涵,全面把握基本概念、基本原理、基本方法,能掌握有关概念、原理、方法的区别与联系,并能够根据考核的不同要求,对问题进行逻辑推理和论证,做出正确的判断、解释和说明。
应用(包含简单应用和综合应用):能在理解掌握的基础上,合理准确运用相关规范与标准,联系工程实际,对建设工程工程量清单计价进行实例分析与计算。在应用过程中,通过掌握的建设项目的总投资构成、建筑面积及工程量计算规则、清单计价编制原理及编制方法等知识结构,培养工程计量、工程计价及分析能力等。同时,激发学生树立坚定的理想信念,勤奋刻苦、脚踏实地、勇于担当,增强中国建造的自信,崇尚科学创新,践行工匠精神。
二、指定教材
指定教材为考生自学、社会助学和考试命题的依据。
指定教材:《工程计量与计价》(第二版) 李锦华主编 人民交通出版社股份有限公司 2014年12月
三、自学方法指导
1、自学时必须要认真阅读教材,开始阅读每一章之前,应先认真学习大纲中有关该章的考核知识点、自学要求以及对知识点的能力层次要求和考核要求。以便在阅读教材时做到心中有数,有的放矢。
2、使用教材时,应注意将精读与泛读相结合,应在泛读即通读的基础和掌握较全面的知识背景条件下,对考核知识点进行重点地逐段细读,逐句推敲,以求做到对基本概念深刻理解,对历史脉络彻底弄清,对基本理论牢固掌握。切忌在没有全面学习教材的情况下孤立地抓考核知识点,以免生吞活剥,不能真正地理解和灵活地运用。
3、在自学过程中,既要思考问题,也要做好阅读笔记,把教材中的基本概念术语、基本计算规则与计算方法、工程造价的确定程序与计算步骤的大致情况加以整理,归纳出要点,从而加深对问题的认知、理解和记忆。有利于突出重点,并涵盖全部课程内容,同时锻炼提高自己的自学能力。
4、在自学过程中,既要注重理论知识,也应重视实际运用能力的培养。如运用工程量计算规则与工程计价程序,并理论结合实际,具备编制施工图预算、招标控制价、投标报价等计价文件的能力等等。要通过完成练习思考题、撰写论述,锻炼自己分析论证及书面表达的能力。
5、考生在自学过程中也可参考全国造价工程师执业资格考试培训教材编审委员会主编《建设工程技术与计量(土木建筑工程)》(中国计划出版社,2023年版)、全国造价工程师执业资格考试培训教材编审委员会主编《建设工程造价管理》(中国计划出版社,2023年版)辅助学习、理解相关知识。
四、对社会助学的要求
1.社会助学者应根据本大纲规定的考试内容和考核目标,认真钻研自学考试指定教材,明确本课程与其他课程不同的特点和学习要求,对自学应考者进行切实有效的辅导,引导他们防止自学中的各种偏向,把握社会助学的正确导向。
2.要正确处理基础知识和应用能力的关系,努力引导自学应考者将识记、理解与应用联系起来,把基础知识和理论转化为应用能力,在全面辅导的基础上,着重培养和提高自学应考者的分析问题和解决问题的能力。
3.要正确处理重点、次重点和一般的关系。课程内容有重点、次重点和一般之分,但考试内容是全面的,而且三者之间是相互联系的,不是截然分开的。社会助学者应指导自学应考者全面系统地学习教材,掌握全部考试内容和考核知识点,在此基础上再突出重点。总之,要把重点学习同兼顾一般结合起来,切勿孤立地抓重点,把自学应考者引向猜题押题。
4.助学学时建议。本课程共5学分,助学建议不少于90学时,课程学时分配见下表,考生也可参考该表安排自学时间。
章次 | 课程内容 | 助学学时 |
1 | 工程造价计价概论 | 20 |
2 | 工程造价计价基本理论 | 12 |
3 | 工程计量 | 42 |
4 | 工程造价的确定 | 16 |
总计 | 90 | |
五、关于命题考试的若干规定
1、本大纲各章所提到的内容和考核目标都是考试的内容。
2、试卷中对不同能力层次要求和试题所占的比例大致是:“识记”为30%,“理解”为30%,“应用”为40%。
3、试题难易程度要合理,可分为四档:易、较易、较难、难,这四档在每份试卷中所占比例依次为2:3:3:2左右。
4、每份试卷中,各类考核点所占比例约为:重点占65%,次重点占30%,一般占5%。
5、试题题型一般分为:填空题、单项选择题、判断题、简答题、计算题等。
6、考试采用闭卷笔试,考试时需携带没有任何存储功能的普通计算器。考试时间为150分钟,采用百分制评分,60分为及格。
六、 题型示例(样题)
(一) 填空题
根据 《建筑安装工程费用项目组成》(建标[2013]44号),按费用构成要素划分,建筑安装工程费由人工费、 、施工机具使用费、 、 利润、 和税金组成。
(二)单项选择题
按照建设项目的分解层次,一栋宿舍楼的土建工程应该是一个( )。
A.分部工程 B.单项工程 C.单位工程 D.建设项目
(三)判断题
( )清单计量规则中,保温隔热屋面按设计图示尺寸以面积计算。扣除面积>0.3平方米孔洞及占位面积。
(四) 简答题
工程造价的概念是什么?按照费用构成要素划分包括什么内容?按照工程造价的形成过程划分包括什么内容?
(五)计算题
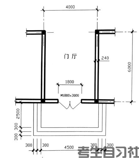
门厅及台阶相关尺寸如图1所示,计算门厅镶贴大理石地面面层定额工程量、门厅镶贴大理石踢脚板定额工程量(设踢脚板高为 150mm)、台阶镶贴大理石面层的工程量。(答案保留小数点后两位)
图1 门厅及台阶


工作时间 09:00-23:00