

- 微信客服
工作时间 09:00-23:00
天津市高等教育自学考试课程考试大纲
课程名称:环境工程原理 课程代码:13739
第一部分 课程性质与目标
一、课程性质与特点
本课程是高等教育自学考试环境工程专业本科段的一门专业基础必修课,它是一门学习水处理工程、大气污染控制工程、固体废物的处理与处置工程、及环境生态修复工程等所涉及的技术基本原理理论性课程。本课程重点学习环境工程原理基础和分离过程原理两部分,其中环境工程原理部分主要学习物料与能量衡算的基本理论和方法、流体流动以及热量和质量传递的基本理论;分离过程原理主要学习沉淀、过滤、吸收、吸附、离子交换、萃取和膜分离的基本理论。
二、课程目标与基本要求
设置本课程的目的是使学生初步了解环境污染控制工程所涉及的流体输送、物质传递、分离过程和反应工程等常用的单元操作, 掌握其工作原理和设备的选用,能针对环境污染控制过程中的问题,选取适合的单元操作,如沉淀、过滤、吸收、吸附、离子交换、萃取和膜分离,并对单元操作能进行简单的计算。为学生今后在环境工程核心专业课学习,如《水处理技术》、《大气污染控制技术》、《固体废物处理处置工程》、《物理污染控制技术》、《环境生态工程》等,打下坚实的基础。
学习本课程要求学生能够掌握不同环境污染控制领域内具有共性的基本过程及原理,能够运用本学科的专业知识、方法分析和解决工程问题。
第二部分 考核内容与考核目标
第一章 质量衡算与能量衡算
一、学习目的与要求
本章介绍环境工程领域分离过程、反应过程中常见的物理量,质量衡算、能量衡算,重点是稳态系统质量衡算与能量衡算。要求通过本章学习,理解和掌握稳态系统质量衡算和能量衡算概念、基本方程。
二、考核知识点与考核目标
识记:质量分数、摩尔分数、质量比、摩尔比、流量、流速、通量。
理解:通量的概念。
(二)质量衡算:(次重点)
识记:总衡算与微分衡算的概念。
理解:衡算系统、稳态系统、非稳态系统的概念,质量衡算的基本质量平衡关系式。
(三)能量衡算(次重点)
理解:能量输入、输出系统的两种方式,能量衡算方程基本表述式。
第二章 流体流动
一、学习目的与要求
本章介绍管道内流动系统的衡算方程、流体流动的内摩擦力、边界层理论流体流动阻力、及管道计算。
二、考核知识点与考核目标:
(一)管道系统的衡算方程:(一般)
识记:质量衡算,不可压缩流体流速与管道直径关系。
理解:流体携带的能量种类,伯努利方程
应用:理想流体在管内流动,运用伯努利方程计算不同位置流体压力、速率。
(二)流体流动的内摩擦力:(次重点)
识记:流体流动运动状态,流体类别。
理解:雷诺数定义与简单计算,影响因素,临界雷诺数与流体流动状况的关系。
应用:计算流体雷诺数判断流体运动状态。
(三)流体流动的阻力损失:(重点)
识记:阻力损失的影响因素、阻力损失的分类、边界层分离现象概念。
理解:沿程阻力损失、局部阻力损失概念,雷诺数对摩擦系数的影响规律,管路阻力损失计算。
第三章 热量传递
本章介绍三种传热方式,以及冷、热流体的换热过程和环境工程中常见换热设备计算。
二、考核知识点与考核目标
(一)理解:热量传递三种基本方式概念与特征。(一般)
(二)热传导(次重点)
识记:导热系数
理解:稳态圆管热传导计算
(三)对流传热:(次重点)
识记:传热边界层,对流传热系数。
理解:牛顿冷却定律,影响对流传热的因素,管内强制对流传热分类,蒸汽冷凝传热影响因素。
(四)换热器及间壁传热过程计算:(重点)
识记:换热器分类、管式换热器主要类型及特点、强化换热器传热过程的途径。
应用:间壁传热过程计算,总传热系数法计算、平均温差的计算;传热单元法。
(五)辐射传热:(一般)
第四章 沉降
本章介绍沉降分离的基本概念,重力沉降,离心沉降等,沉降分离设备。
二、考核知识点与考核目标
(一)沉降分离的一般原理和类型:(一般)
识记:沉降分离的一般原理、类型。
理解:单颗粒的几何特征参数,如当量直径、形状系数。
(二)重力沉降(重点)
理解:沉降速率计算、理想重力沉降设备最小停留时间计算。
识记:离心沉降概念、离心沉降设备类型。
理解:离心机分离因数计算、旋风分离器分离因数计算,旋液分离器与旋风分离器差异、重力沉降与离心沉降差异。
第五章 过滤
本章介绍过滤操作的基本概念、表面过滤的基本理论、深床过滤的基本理论。要求通过本章学习,掌握常规过滤基本理论,过滤设备基本操作及计算。
二、考核知识点与考核目标
识记:过滤介质的分类。
理解:按照过滤机理过滤操作的分类及适用范围;按照流体流动推动力分类。
识记:表面过滤过程示意图,过滤基本方程。
理解:恒压过滤、恒速过滤计算、过滤常数的测定、过滤机生产能力的计算。
(三)深床过滤(重点)
识记:颗粒床层几何特性与表征,混合颗粒的平均粒径。
理解:颗粒床层的几何特性及计算方法,滤速的影响因素;深床过滤过程颗粒行为,消除滤料表层堵塞的措施。
第六章 吸收
本章介绍吸收的基本概念、物理吸收、化学吸收,双膜理论、吸收设备工艺计算。要求通过本章学习,掌握吸收的基本理论,吸收设备物料平衡、操作线方程的基本计算。
二、考核知识点与考核目标
识记:吸收的类型分类
识记:气-液平衡,亨利定律概念。
理解:传质过程方向判断,传质过程推动力及计算,传质过程极限确定,吸收过程三个基本步骤,双膜理论模型示意图,总传质速率方程,总传质系数计算。
(三)吸收设备工艺计算(次重点)
识记:吸收塔类型。
理解:全塔物料衡算算式,逆流吸收塔操作线方程
第七章 吸附
本章介绍吸附分离的基本概念、分类、吸附剂特性及种类,吸附平衡,吸附动力学,以及吸附操作与吸附穿透曲线。要求通过本章学习,掌握吸附过程影响因素,吸附动力学与穿透曲线。
二、考核知识点与考核目标
(一)吸附分离操作的基本概念(一般)
识记:吸附类型分类,吸附分离操作在环境工程领域应用范围。
识记:工业吸附剂主要特性。
理解:常见吸附剂组成、特点与适用范围
(三)吸附平衡(次重点)
识记:吸附平衡概念。
理解:等温吸附方程,如Freundlich方程、Langmuir方程及应用
(四)吸附动力学(次重点)
识记:吸附过程三步骤。
理解:吸附过程控制步骤
识记:吸附区、穿透点。
理解:穿透曲线示意图。
第八章 化学与生物反应工程原理
一、学习目的与要求
本章介绍反应动力学基础,反应器操作方式,流动与混合状态,反应器的结构类型,均相反应典型的全混流与平推流反应器特征。要求通过本章学习,掌握常见反应器的类型与特征,能够进行简单转化率计算。
二、考核知识点与考核目标
识记:反应器的操作方式及特点。
理解:反应器物料流动与混合状态,反应器的类型、反应分类、转化率
应用:反应速率方程及常数、单一反应一级与二级反应方程。
(二)均相化学反应器(次重点)
识记:间歇反应器的特点与转化率计算
理解:完全混合连续反应器特点与多级完全混合反应器特点比较。
应用:平推流反应器特点。
第三部分 有关说明与实施要求
一、考核目标的能力层次表述
本课程的能力考核目标共分为三个能力层次:“识记”、“理解”、“应用”。各能力层次为递进等级关系,后者必须建立在前者的基础上,其含义是:
识记:能够识别和记忆本课程中的有关名词、概念及规律的主要内容,并能够根据考核的不同要求,做出正确的表述、选择和判断。
理解:能够领悟和理解本课程中有关概念及规律的内涵,全面把握基本概念、基本原理、基本方法,能掌握有关概念、原理、方法的区别与联系,并能够根据考核的不同要求,对问题进行逻辑推理和论证,做出正确的判断、解释和说明。
应用(包含简单应用和综合应用):能在理解掌握的基础上,联系实际、熟练运用理论知识对实际工程问题进行简化处理,是既要求理论掌握、又要求具备分析论证能力的高层次要求;能综合运用化学、数学等方面的知识,对实际工程问题作出全面的分析评价,并运用理论模型进行简单计算,是最高层次的要求。
二、指定教材
指定教材为考生自学、社会助学和考试命题的依据。
指定教材:《环境工程原理 第4版》 胡洪营、张旭、黄霞、王伟、席劲瑛合编 高等教育出版社 2022年10月
三、自学方法指导
1、自学时必须要认真阅读教材,开始阅读每一章之前,应先认真学习大纲中有关该章的考核知识点、自学要求以及对知识点的能力层次要求和考核要求。以便在阅读教材时做到心中有数,有的放矢。
2、使用教材时,应注意将精读与泛读相结合,应在泛读即通读的基础和掌握较全面的知识背景条件下,对考核知识点进行重点地逐段细读,逐句推敲,以求做到对基本概念深刻理解,对常见操作单元彻底弄清,对基本理论牢固掌握。切忌在没有全面学习教材的情况下孤立地抓考核知识点,以免生吞活剥,不能真正地理解和灵活地运用。
3、在自学过程中,既要思考问题,也要做好阅读笔记,把教材中的基本概念术语、基本理论、数学模型进行推理,例题及课后题认真推算,归纳出要点,从而加深对问题的认知、理解和记忆。有利于突出重点,并涵盖全部课程内容,同时锻炼提高自己的自学能力。
4、在自学过程中,既要注重理论知识,也应重视实际运用能力的培养。如运用深床过滤的理论,思考水处理过程中的V型滤池操作等等。要通过完成练习题、理解并推导理论方程,锻炼自己对理论知识的运用能力。
5、考生在自学过程中也可参考夏清、姜峰主编《化工原理》(化学工业出版社,2021年版)辅助学习、理解相关知识。
四、对社会助学的要求
1.社会助学者应根据本大纲规定的考试内容和考核目标,认真钻研自学考试指定教材,明确本课程与其他课程不同的特点和学习要求,对自学应考者进行切实有效的辅导,引导他们防止自学中的各种偏向,把握社会助学的正确导向。
2.要正确处理基础知识和应用能力的关系,努力引导自学应考者将识记、理解与应用联系起来,把基础知识和理论转化为应用能力,在全面辅导的基础上,着重培养和提高自学应考者的分析问题和解决问题的能力。
3.要正确处理重点、次重点和一般的关系。课程内容有重点、次重点和一般之分,但考试内容是全面的,而且三者之间是相互联系的,不是截然分开的。社会助学者应指导自学应考者全面系统地学习教材,掌握全部考试内容和考核知识点,在此基础上再突出重点。总之,要把重点学习同兼顾一般结合起来,切勿孤立地抓重点,把自学应考者引向猜题押题。
4.助学学时建议。本课程共6学分,助学建议不少于108学时,课程学时分配见下表,考生也可参考该表安排自学时间。
章次 | 课程内容 | 助学学时 |
1 | 质量衡算与能量衡算 | 14 |
2 | 流体流动 | 14 |
3 | 热量传递 | 14 |
4 | 沉降 | 13 |
5 | 过滤 | 13 |
6 | 吸收 | 13 |
7 | 吸附 | 13 |
8 | 化学与生物反应工程原理 | 14 |
总计 | 108 | |
五、关于命题考试的若干规定
1、本大纲各章所提到的内容和考核目标都是考试的内容。
2、试卷中对不同能力层次要求和试题所占的比例大致是:“识记”为30%,“理解”为40%,“应用”为30%。
3、试题难易程度要合理,可分为四档:易、较易、较难、难,这四档在每份试卷中所占比例依次为2:3:3:2左右。
4、每份试卷中,各类考核点所占比例约为:重点占65%,次重点占25%,一般占10%。
5、试题题型一般分为:填空题、单项选择题、解释概念题、简答题、计算题等。
6、考试采用闭卷笔试,考试时需携带没有任何存储功能的普通计算器。考试时间为150分钟,采用百分制评分,60分为及格。
六、 题型示例(样题)
(一) 填空题
工业过滤操作过程按照机理可分为_________过滤和_________过滤。
(二)单项选择题
热量传递过程中,( )传热方式不需要媒介。
(三)解释概念题
1.吸附平衡
2.颗粒沉降速率
(四)简答题
工业吸附剂应具备哪些特性?
(五)计算题
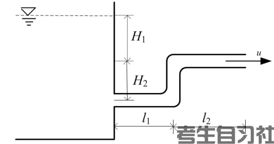
![]() |
如下图所示,水从水箱中经弯管流出,已知管径d=15cm,l1=15m,l2=50m,H2=15m,管道中沿程摩擦系数λ=0.023,弯头ξ=0.9,当H1=10m时,通过弯道的流量为多少?


工作时间 09:00-23:00