

- 微信客服
工作时间 09:00-23:00
湖北省高等教育自学考试课程考试大纲
课程名称:船舶动力装置 课程代码:01236
第一部分 课程性质与目标
一、 课程性质与特点
本课程以介绍船舶动力装置的基本型式和原理为主,同时兼顾船舶动力装置有关的基本计算,是高等教育自学考试船舶动力装置专业的一门重要专业课。
二、 课程目标与基本要求
本课程的目标:是学生通过该课程的学习,对船舶动力装置的类型、船舶轴系及传动装置设计、船舶管路系统、船舶辅助装置、船舶轴系的振动及控制、船舶动力装置设计等有较为系统的认识,为今后从事的船舶设计、船舶管理打下良好的基础。
本课程基本要求:
1. 熟练掌握船舶动力装置的基本概念、性能及相关的技术指标。
2. 熟练掌握轴系设计的基本原理与方法。
3. 熟悉传动装置的功能与选型。
4. 具备管路系统设备的选型与计算的能力,能完成管路系统原理图的设计。
5. 能进行辅助装置的选型设计。
6. 了解船舶推进轴系扭转振动的常用计算方法,掌握推进轴系扭转振动的控制方法。
7. 掌握船舶动力装置的经济性评价方法及提高经济性的措施。
8. 能看懂并分析机舱布置图,懂得基本的机舱布置方法。
9. 自学过程中应按大纲要求仔细阅读教材,切实掌握有关内容的基本概念、基本原理和基本方法。
三、 与本专业其他课程的关系
本课程是船舶与海洋工程专业的一门专业课,该课程应在修完本专业的基础课和专业基本课后进行学习。
先修课程:船舶阻力与推进、船体结构、船舶主机
后续课程:船舶管理、轮机设计
第二部分 考核内容与考核目标
第1章 绪论
一、 学习目的与要求
本章是船舶动力装置的基础内容,通过本章的学习,学生应能够对船舶动力装置的内容体系有初步的认识,有利于进一步地深入学习。
本章主要讲授船舶动力装置的含义及组成、船舶动力装置的类型及特点、 船舶动力装置的基本特性指标及对船舶动力装置的要求。要求掌握船舶动力装置的基本含义和基本组成部分;重点掌握柴油机、汽轮机及燃气轮机动力装置的主要特点,了解联合动力装置、核动力装置的原理及特点;重点掌握船舶动力装置的技术指标、经济指标和性能指标的含义及分类;了解对船舶动力装置的主要要求。
二、 考核知识点与考核目标
(一) 柴油机、汽轮机及燃气轮机动力装置的类型及特点(重点)
识记:柴油机、汽轮机及燃气轮机动力装置的基本原理
理解:柴油机、汽轮机及燃气轮机动力装置的主要优缺点
应用:柴油机、汽轮机及燃气轮机动力装置的适用船舶类型
(二) 船舶动力装置的基本特性指标(重点)
识记:技术指标、经济指标和性能指标的定义
理解:技术指标和经济指标中公式的主要参数含义
应用:船舶动力装置经济指标的运用
(三) 船舶动力装置的含义及组成(次重点)
识记:船舶动力装置的组成部分
理解:船舶动力装置的含义
应用:不同类型船舶动力装置的差异
(四) 对船舶动力装置的要求(一般)
识记:对船舶动力装置的基本要求
理解:续航力、操纵性的含义
应用:提高船舶动力装置经济性的措施
第2章 船舶轴系
一、学习目的与要求
本章是船舶动力装置的核心内容之一,通过本章的学习,学生应能够对推进装置的轴系布置方法、轴系主要部件、轴系运转与强度计算问题等进行全面系统地掌握和运用。
本章主要讲授推进装置的型式及特点、船舶轴系的组成与布置、船舶轴系的主要部件、船舶轴系的运转状况与强度计算中的几个问题。要求重点掌握几种典型的推进装置型式及特点;重点掌握船舶轴系的布置原则、尾轴管装置的基本组成结构及其实现的功能;掌握螺旋桨轴、中间轴、推力轴及其轴承的结构特点和布置特点;了解船舶轴系的运转受力特点、为确保轴系安全可靠工作必须进行的强度计算和合理校中设计方法。
二、考核知识点与考核目标
(一)典型船舶推进装置的类型及特点(重点)
识记:直接传动推进装置、齿轮传动推进装置、可调螺距螺旋桨推进装置、电力传动推进装置、喷水推进装置的传动方法
理解:五种型式的推进装置的主要特点
应用:不同推进装置的适用船型
(二) 船舶轴系的布置方法(重点)
识记:船舶轴系的布置原则
理解:船舶轴线位置的确定
应用:轴系倾斜角与偏斜角根据不同船舶特点的具体确定
(三) 尾轴管装置的结构及功用(重点)
识记:尾轴管装置的组成部件、常用尾轴承的材料、尾轴管密封装置的主要类型
理解:尾轴管密封装置的作用
应用:水润滑与油润滑尾轴管装置的密封型式区别
(四) 推力轴承的工作原理(次重点)
识记:推力轴承的结构
理解:推力轴承承受较大推力的原理
应用:形成楔形油膜的过程
(五) 螺旋桨轴、中间轴、推力轴的结构特点和布置特点(次重点)
识记:螺旋桨轴、中间轴、推力轴的基本结构
理解:螺旋桨轴的结构特点、中间轴的布置原则及中间轴承的位置
应用:滑动轴承与滚动轴承的应用
(六) 船舶轴系的运转受力特点(一般)
识记:船舶轴系的受力类型
理解:船舶轴系工作条件恶劣的原因
应用:不同海况和工况下船舶轴系受力特点
(七) 船舶轴系的强度计算和合理校中设计方法(一般)
识记:船舶轴系强度计算公式
理解:船舶轴系合理校中的方法
应用:扭转振动、横向振动和纵向振动的计算、测试
第3章 推进系统的传动装置
一、学习目的与要求
通过本章的学习,学生应能够对推进系统的传动装置的类型、工作原理、基本特性、选用原则等全面系统地掌握和运用。
本章主要讲授船用齿轮箱、船用液力耦合器、船用摩擦离合器、联轴器和可调螺距螺旋桨的结构、作用和特性。要求重点掌握船用齿轮箱的性能参数、弹性联轴器的作用与类型、可调螺距螺旋桨的特点;掌握船用摩擦离合器的种类及选型要求、可调螺距螺旋桨的基本工作特性;了解船用齿轮箱的类型、船用液力耦合器的工作原理。
二、考核知识点与考核目标
(一) 船用齿轮箱的性能参数(重点)
识记:主要性能参数的概念
理解:标定传递能力的含义
应用:减速比的换算
(二)弹性联轴器的作用与类型(重点)
识记:弹性联轴器的类型
理解:弹性联轴器的作用
应用:橡胶高弹性联轴器与金属高弹性联轴器的应用
(三)可调螺距螺旋桨的特点(重点)
识记:可调螺距螺旋桨的主要特点
理解:结合可调螺距螺旋桨的基本工作特性分析其优点
应用:可调螺距螺旋桨的应用
(四) 船用摩擦离合器的种类及选型要求(次重点)
识记:船用摩擦离合器的分类
理解:选用船用摩擦离合器的具体要求
应用:船用摩擦离合器针对动力系统不同工况的工作状态
(五)可调螺距螺旋桨的基本工作特性(次重点)
识记:可调螺距螺旋桨的特性曲线
理解:可调螺距螺旋桨的工作特性分析
应用:螺旋桨进速系数对不同船舶工况的适应
(六) 船用齿轮箱的类型(一般)
识记:减速机组、倒顺减速机组及并车机组的分类
理解:多机并车机组的结构特点
应用:不同船用齿轮箱的应用
(七)船用液力耦合器的工作原理(一般)
识记:船用液力耦合器的基本结构组成
理解:船用液力耦合器的液力传动原理
应用:船用液力耦合器不同工作状态的区分
第4章 船舶动力管路系统
一、学习目的与要求
本章是船舶动力装置的核心内容之一,通过本章的学习,学生应能够对五大船舶动力管路系统的工作原理、类型、组成进行全面系统地掌握和运用。
本章主要讲授船舶燃油管路系统、滑油管路系统、冷却管路系统、压缩空气管路系统和排气管路系统的工作原理、类型及组成。要求重点掌握船舶燃油管路系统和滑油管路系统的工作原理及组成、冷却管路系统的分类及各种冷却系统的特点;掌握压缩空气管路系统和排气管路系统的作用及设计要求。
二、考核知识点与考核目标
(一) 燃油管路系统的工作原理及组成(重点)
识记:燃油管路系统的功能
理解:系统各组成部分的相关设备工作原理
应用:结合实船设计图纸分析燃油管路系统的工作原理
(二)滑油管路系统的工作原理及组成(重点)
识记:滑油管路系统的主要设备
理解:不同润滑形式的工作原理
应用:结合实船设计图纸分析滑油管路系统的工作原理
(三) 闭式冷却管路系统分析(重点)
识记:闭式冷却管路系统的组成
理解:冷却水循环的工作原理
应用:结合实船设计图纸分析冷却管路系统的工作原理
(四) 压缩空气管路系统的工作原理(次重点)
识记:压缩空气管路系统的作用及组成
理解:压缩空气管路系统的基本原理图分析
应用:结合实船设计图纸分析压缩空气管路系统的工作原理
(五) 排气管路系统的作用及设计要求(次重点)
识记:排气管路系统的主要型式
理解:对排气管路的设计要求
应用:排气管路系统中消声器、废气锅炉等配置的方法
(六) 中心冷却系统(一般)
识记:中心冷却系统的主要部件
理解:中心冷却系统的特殊性
应用:中心冷却系统的应用
第5章 船舶管路系统
一、学习目的与要求
本章是船舶动力装置的核心内容之一,通过本章的学习,学生应能够对船舶管路系统的工作原理、组成及相关设备的选型计算进行全面系统地掌握和运用。
本章主要讲授船舶舱底水管路系统、压载水管路系统、消防管路系统、供水系统、机舱通风管路系统及船舶空调管路系统的基本原理及设计方法。要求掌握几种船舶管路系统的工作原理和设计特点,其中要求重点学习舱底水管路系统、压载水管路系统及供水管路系统。
二、考核知识点与考核目标
(一) 舱底水管路系统、压载水管路系统及供水管路系统(重点)
识记:各管路系统的相关计算
理解:各管路系统的工作原理及图例分析
应用:各管路系统设计要求
(二)消防管路系统及机舱通风管路系统(次重点)
识记:消防泵的选型计算、风机布置原则
理解:各种消防系统的图例分析
应用:不同消防系统的灭火类型
(三) 船舶空调管路系统(一般)
识记: 空调舱室区域风量平衡计算
理解: 空调区域与空调系统的划分方法
应用: 船舶空调系统的选择、空调器的选型
第6章 船、机、桨工况配合特性
一、学习目的与要求
本章是船舶动力装置的主要内容之一,通过本章的学习,学生应能够对船、机、桨的能量关系,船、机、桨的基本特性、能量转换与稳态配合进行全面系统地掌握和运用。
本章主要讲授对船、机、桨的能量关系,各自的基本特性,能量转换与配合性质,典型推进装置的稳态特性与配合,要求重点掌握船、机、桨的特性、配合与工况,并能对稳态特性与配合进行分析,了解船、机、桨在变工况时的配合。
二、考核知识点与考核目标
(一) 船、机、桨的能量关系(重点)
识记:基本概念
理解:特性曲线、配合点和工况的含义
应用:船、机、桨的能量关系分析
(二) 船、机、桨的基本特性(重点)
识记:柴油机的主要特性、船舶阻力特性、螺旋桨推进特性
理解:船、机、桨特性曲线分析
应用:航速与转速的转换关系
(三) 船、机、桨的能量转换(重点)
识记:推进装置各种功率的概念
理解:船、机、桨配合时的三种储备方法
应用:工作区域的划分、螺旋桨设计负荷点的确定
(四)船、机、桨的稳态配合性质(次重点)
识记:不同传动形式的稳态特性基本计算
理解:稳态配合的基本原理
应用:根据稳态配合进行能量的合理利用
(五) 船、机、桨的变工况配合(一般)
识记:变工况的概念
理解:系泊工况、过渡工况等变工况的曲线图分析
应用:船舶在营运变工况下的管理策略
第7章 船舶推进轴系的扭转振动与控制
一、学习目的与要求
通过本章的学习,学生应能够对船舶推进轴系的扭转振动数学模型、计算方法、振动控制方法进行较为系统地掌握和运用。
本章主要讲授船舶推进轴系的扭转振动建立数学模型的方法、扭转振动的自由振动和强迫振动的计算方法、推进轴系扭转振动的控制方法。要求重点掌握推进轴系扭转振动的简化模型及扭转振动的控制方法。
二、考核知识点与考核目标
(一) 推进轴系扭转振动的简化模型(重点)
识记:柴油机轴系扭转振动的具体计算方法
理解:模型的简化原则
应用:不同结构形式轴段的扭转刚度计算
(二)推进轴系扭转振动的控制方法(重点)
识记:调频避振的具体措施
理解:调频避振、平衡外干扰、增加系统阻尼的基本原理
应用:各种扭转振动控制方法的综合运用
(三) 临界转速的确定(次重点)
识记:临界转速的概念
理解:某节点次临界转速的含义
应用:临界转速计算的意义
(四) 推进轴系扭转振动的自由振动和强迫振动计算方法(一般)
识记:Holzer法、传递矩阵法和能量法的基本概念
理解:频率方程式、状态矢量
应用:针对不同船舶推进轴系扭转振动的计算
第8章 船舶动力装置的经济性
一、学习目的与要求
本章是船舶动力装置的主要内容之一,通过本章的学习,学生应能够掌握船舶动力装置的主要经济性指标,提高船舶动力装置推进效率的方法,船舶动力装置的余热利用方法,并能结合实际船舶对这些节能措施进行综合应用。
本章主要讲授船舶动力装置的主要经济性评价指标的含义,提高船舶动力装置推进效率的措施,船舶动力装置的余热利用方法及典型系统。要求重点掌握提高船舶动力装置推进效率的方法及船舶余热利用系统的原理。了解几种典型的余热发电利用系统及其主要设备的特点。
二、考核知识点与考核目标
(一) 提高船舶动力装置推进效率的方法(重点)
识记:减额输出的概念
理解:采用低速、大直径螺旋桨能提高推进效率的机理;利用主机减额输出的意义
应用:主机选型时考虑动力装置经济性的优选分析
(二) 船舶动力装置余热利用系统(重点)
识记:柴油机的余热来源
理解:柴油机的余热用途、品质的区分及利用方法
应用:排气余热转换成加热热能、电能和机械能的综合利用分析
(三) 船舶动力装置有效效率提高的途径(次重点)
识记:提高动力装置有效效率的三大主要途径
理解:提高动力装置热效率的具体方法
应用:船舶动力装置营运管理的改善对提高动力装置有效效率的意义
(四) 几种典型的余热发电利用系统(一般)
识记:典型余热发电利用系统的型式
理解:废气锅炉中单压、双压和三压式的余热梯次利用原理;各种设计参数对发电量的影响
应用:余热发电系统原理图的分析
(五) 船舶柴油机动力冷却热量及其利用系统(一般)
识记:冷却热利用的主要途径,制冷工质透平装置的主要设备
理解:闪发式制淡装置的工作原理
应用:典型的冷却余热利用系统图例分析
第9章 机舱规划与设备布置
一、学习目的与要求
本章是船舶动力装置的主要内容之一,通过本章的学习,学生应能够对船舶机舱的布置方法和步骤进行全面系统地掌握和运用。
本章主要讲授船舶机舱的规划理念、机舱位置和尺寸的设置、机舱布置的原则和要点、机舱规划的步骤,并介绍相关的机舱布置实例。要求重点掌握机舱位置和尺寸的确定方法,机舱规划的方法。掌握机舱布置的要点。了解机舱规划的具体步骤。
二、考核知识点与考核目标
(一)机舱位置和尺寸的确定方法(重点)
识记:机舱规划的确认要求
理解:机舱的位置和尺寸与船体结构的关联
应用:不同类型船舶的机舱位置
(二)机舱规划的方法(重点)
识记:船舶倾斜角的要求
理解:机舱布置各细则的分析
应用:结合实船分析机舱规划的方法
(三)机舱布置的要点(次重点)
识记:机舱布置的主要要求
理解:机械设备及结构布置的合理性
应用:机舱机组和各舱柜的布置特点
(四)机舱规划的步骤(一般)
识记:机舱规划的具体步骤
理解:各步骤的合理性
应用:运用机舱规划方法和步骤分析实船的机舱布置图
第三部分 有关说明与实施要求
一、考核的能力层次表述
本大纲在考核目标中,按照“识记”“理解”“应用”三个能力层次规定其应达到的能力层次要求。各能力层次要求为递进等级关系,后者必须建立在前者的基础上,其含义是:
识记:要求考生能够对大纲中的知识点,如定义、公式、定理、性质、法则等有清晰准确的认识和表述,并能做出正确的判断与选择。
理解:在识记的基础上,要求考生能够对大纲中的概念、定理、公式、法则等有一定的理解,清楚它与有关知识点的联系与区别,并能做出正确的表述和解释。
应用:要求考生对大纲中的概念、定理、公式、法则等熟悉和理解的基础上,能解决简单的计算、证明或应用问题,也可运用多个知识点,分析、计算或推导解决稍复杂的一些问题。
二、教材
指定教材:《船舶动力装置》(第二版),姚寿广等 主编,国防工业出版社,2014
三、自学方法指导
1、在开始阅读指定教材某一章之前,先翻阅大纲中有关这一章的考核知识点及对知识点的能力层次要求和考核目标,以便在阅读教材时做到心中有数,有的放矢。
2、阅读教材时,要逐段细读,逐句推敲,集中精力,吃透每一个知识点,对基本概念必须深刻理解,对基本理论必须彻底弄清,对基本方法必须牢固掌握。
3、在自学过程中,既要思考问题,也要做好阅读笔记,把教材中的基本概念、原理、方法等加以整理,这可从中加深对问题的认知、理解和记忆,以利于突出重点,并涵盖整个内容,可以不断提高自学能力。
4、完成书后作业和适当的辅导练习是理解、消化和巩固所学知识,培养分析问题、解决问题及提高能力的重要环节,在做练习之前,应认真阅读教材,按考核目标所要求的不同层次,掌握教材内容,在练习过程中对所学知识进行合理的回顾与发挥,注重理论联系实际和具体问题具体分析,解题时应注意培养逻辑性,针对问题围绕相关知识点进行层次(步骤)分明的论述或推导,明确各层次(步骤)间的逻辑关系。
四、对社会助学的要求
1、应熟知考试大纲对课程提出的总要求和各章的知识点。
2、应掌握各知识点要求达到的能力层次,并深刻理解对各知识点的考核目标。
3、辅导时,应以考试大纲为依据,指定的教材为基础,不要随意增删内容,以免与大纲脱节。
4、辅导时,应对学习方法进行指导,宜提倡"认真阅读教材,刻苦钻研教材,主动争取帮助,依靠自己学通"的方法。
5、辅导时,要注意突出重点,对考生提出的问题,不要有问即答,要积极启发引导。
6、注意对应考者能力的培养,特别是自学能力的培养,要引导考生逐步学会独立学习,在自学过程中善于提出问题,分析问题,做出判断,解决问题。
7、要使考生了解试题的难易与能力层次高低两者不完全是一回事,在各个能力层次中会存在着不同难度的试题。
8.助学学时:本课程共3学分,建议总课时54学时,其中助学课时分配如下:
章 次 | 内 容 | 学时 |
第1章1.1-1.2 | 船舶动力装置的含义及组成;船舶动力装置的类型及特点 | 3 |
第1章1.3-14 | 船舶动力装置的基本特性指标;对船舶动力装置的要求 | 3 |
第2章2.1-2.2 | 推进装置型式及其特点;船舶轴系的组成与布置 | 4 |
第2章2.3 | 船舶轴系的主要部件 | 2 |
第2章2.4 | 船舶轴系的运转状况与强度计算中的几个问题 | 2 |
第3章3.1 | 船用齿轮箱 | 2 |
第3章3.2-3.3 | 船用液力耦合器;船用摩擦离合器 | 2 |
第3章3.4-3.5 | 联轴器;可调螺距螺旋桨 | 2 |
第4章 4.1-4.2 | 燃油管路系统;滑油管路系统 | 2 |
第4章 4.3-4.5 | 冷却管路系统;压缩空气管路系统;排气管路系统 | 2 |
第5章 5.1-5.2 | 舱底水管路系统;压载水管路系统 | 2 |
第5章 5.3 | 消防管路系统 | 1 |
第5章 5.4 | 供水管路系统 | 2 |
第5章 5.5 | 机舱通风管路系统 | 1 |
第5章 5.6 | 船舶空调管路系统 | 2 |
第6章 6.1-6.2 | 船、机、桨的基本概念;船、机、桨的基本特性 | 2 |
第6章 6.3 | 船、机、桨的能量转换与配合性质 | 2 |
第6章 6.4-6.5 | 典型推进装置的稳态特性与配合;船、机、桨在变工况时的配合 | 2 |
第7章 7.1-7.2 | 概述;推进轴系的扭转振动计算 | 2 |
第7章 7.3 | 推进轴系扭转振动的控制方案 | 2 |
第8章 8.1 | 概述 | 2 |
第8章 8.2 | 提高船舶动力装置的推进效率 | 2 |
第8章 8.3 | 船舶动力装置的余热利用系统 | 4 |
第9章 9.1-9.3 | 概述;机舱位置与尺寸;机舱布置的要点 | 2 |
第9章 9.4-9.5 | 机舱规划的方法与步骤;机舱布置实例 | 2 |
合计 | 54 |
五、 关于命题考试的若干规定
1、本大纲各章所提到的内容和考核目标都是考试内容。试题覆盖到章,适当突出重点。
2、试卷中对不同能力层次的试题比例大致是:“识记”为30%, “理解”为 40%,“应用”为 30%。
3、试题难易程度应合理:易、较易、较难、难比例为3:3:3:1。
4、每份试卷中,各类考核点所占比例约为:重点占65%,次重点占25%,一般占10%。
5、试题类型一般分为:填空题,选择题,简答题,计算题,分析题等。
6、考试采用闭卷笔试,考试时间为150分钟,采用百分制评分,60分合格。
六、题型示例
(一)填空题
1. 齿轮箱的标定传递能力是指齿轮箱的 与 的比值。
(二)选择题
1. 远洋货船的动力装置适宜采用
A、调距桨 B、低速机直接传动 C、高速机直接传动 D、电力传动
(三)简答题
1. 什么是电力传动推进装置?有哪些优缺点?适用于哪些船舶?
(四)计算题
1.某带有离合器的船舶推进系统的主机额定功率为2800kW,额定转速为600r/min,采用减速传动时,减速齿轮箱传动效率为0.95,减速比为4:1,试求推进系统中离合器所传递的扭矩。
(五)分析题
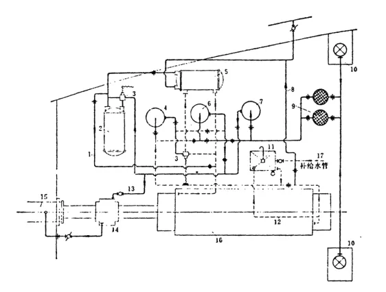
1. 图1为某船的冷却系统实例图。此主机采用的是什么型式的冷却系统?分析其工作原理并说明该系统的特点。

图1 冷却系统实例图
1、8、13-海水管路;2-滑油冷却器;3-温度调节阀;4-淡水泵;5-淡水冷却器;6-备用泵;
7-海水泵;9-过滤器;10-海底门;11-膨胀水箱;12-淡水管路(虚线);14-推力轴承;
15-艉轴管;16-主机;17-补给水管


工作时间 09:00-23:00