

- 微信客服
工作时间 09:00-23:00
湖北省高等教育自学考试课程考试大纲
课程名称:建筑设备 课程代码:02446
第一部分 课程性质与设置目的要求
一、课程性质与特点
本课程主要讲授建筑施工过程中的机械设备的原理和使用方法,分为建筑机械基础知识和常用建筑机械,使学生掌握建筑机械常用金属材料、机构、部件和零件,机械与液压传动以及常用建筑机械:塔式起重机械、挖掘机、装载机、柴油锤、蒸汽锤等。
二、课程目标与基本要求
主要分为建筑机械基础知识和常用建筑机械,使学生掌握建筑机械常用金属材料、机构、部件和零件,机械与液压传动以及常用建筑机械:塔式起重机械、挖掘机、装载机、柴油锤、蒸汽锤等。在教材内容上以适度的建筑机械基础知识与鲜明的项目任务为主线,注意了各部分知识的融汇贯通;将知识目标、能力目标、素质目标培养三者有机结合,学生在完成学习型工作任务的过程之中自助地获得知识,学习技能,构件属于自己的知识体系,将有利于真正培养学生的职业能力。
三、与本专业其他课程的关系
本课程的先行课程有:建筑施工,基础工程等
第二部分 课程内容与考核目标
第一章 建筑机械常用材料
一、学习目的和要求
熟悉黑色金属、有色金属及其分类,掌握普通碳素结构钢、优质碳素结构钢、碳素工具钢、铸钢、合金钢以及铸铁的牌号、性能和用途,熟悉铜、铝及其合金的分类及用途,了解钢的热处理方法和目的,了解建筑机械金属的腐蚀的防控。
二、课程内容
第一节 常用金属材料的分类和牌号
第二节 钢的热处理
第三节 有色金属材料和非金属材料
第四节 金属腐蚀的防控
三、考核知识点
(一)黑色金属、有色金属的定义及其分类
(二)钢的分类及不同类型钢的性能及用途
(三)钢的热处理方法和目的
四、考核要求
1.识记:黑色金属、有色金属的定义及其分类;普通碳素结构钢、优质碳素结构钢、碳素工具钢、铸钢、合金钢以及铸铁的牌号、性能和用途;铜、铝及其合金的分类及用途;钢的热处理方法和目的以及建筑机械金属的腐蚀的防控。
第二章 建筑机械常用机构
一、学习目的和要求
了解运动副、低副、高副、转动副和移动副;掌握铰接四杆机构的基本形式和铰接四杆机构曲柄存在的条件,熟悉四杆机构的演变;熟悉凸轮机构的特点、类型和应用;了解间歇运动机构。
二、课程内容
第一节 平面机构运动简图和自由度
第二节 平面连杆机构
第三节 凸轮机构
第四节 间歇运动机构
三、考核知识点
(一)运动副、低副、高副、转动副和移动副
(二)铰接四杆机构的基本形式及判别
(三)铰接四杆机构曲柄存在的条件
(四)曲柄滑块机构
(五)铰链四杆机构的急回特性和行程速比系数
(六)凸轮机构的特点、类型以及从动件的运动规律
四、考核要求
1.识记:运动副、低副、高副、转动副和移动副的区别与特点;铰接四杆机构的基本形式和铰接四杆机构曲柄存在的条件;曲柄滑块机构;凸轮机构的特点、类型以及从动件的运动规律。
2.领会:铰链四杆机构的急回特性和行程速比系数。
第三章 建筑机械常用机械传动
一、学习目的和要求
了解齿轮传动的工作原理、特点和类型;了解渐开线的形成和特性;掌握渐开线标准直齿圆柱齿轮正确啮合的条件、主要几何尺寸计算和失效形式;了解斜齿圆柱齿轮、圆锥齿轮和蜗轮蜗杆传动的结构形式和特点;熟悉轮系的计算。掌握带传动的工作原理、特点和张紧方法,能进行带传动的安装、维护;了解链传动的下作原理、特点和失效形式,能正确选择带传动和链传动;了解螺纹传动特点和应用,能熟练运用左、右手法则判断运动方向。
二、课程内容
第一节 齿轮转动
第二节 带传动
第三节 链传动
第四节 螺纹传动
三、考核知识点
(一)齿轮传动的工作原理、特点和类型及渐开线的形成和特性
(二)渐开线标准直齿圆柱齿轮正确啮合的条件、主要几何尺寸计算和失效形式
(三)斜齿圆柱齿轮、圆锥齿轮和蜗轮蜗杆传动的结构形式和特点
(四)轮系的计算
(五)带传动的工作原理、特点和张紧方法
(六)链传动的下作原理、特点和失效形式
(七)螺纹传动特点和应用及运用左、右手法则判断运动方向
四、考核要求
1.识记:齿轮传动的工作原理、特点和类型及渐开线的形成和特性;斜齿圆柱齿轮、圆锥齿轮和蜗轮蜗杆传动的结构形式和特点。
2.领会:带传动的工作原理、特点和张紧方法,能进行带传动的安装、维护;链传动的下作原理、特点和失效形式,能正确选择带传动和链传动;了解螺纹传动特点和应用。能熟练运用左、右手法则判断运动方向。
3. 简单应用:渐开线标准直齿圆柱齿轮正确啮合的条件、主要几何尺寸计算和失效形式;轮系的计算。
第四章 建筑机械常用零件
一、学习目的和要求
掌握螺纹联接、键联接、花键联接和销联接的基本类型和用途;了解轴的分类、材料和结构;了解滑动轴承和滚动轴承的结构、特点及应用;了解钢丝绳的构造、种类、报废标准和使用注意事项。
二、课程内容
第一节 联接
第二节 轴
第三节 轴承
第四节 钢丝绳
三、考核知识点
(一)螺纹联接、键联接、花键联接和销联接的基本类型和用途
(二)螺纹的分类及主要参数意义
(三)轴的分类
(四)滑动轴承和滚动轴承的结构、特点及应用
四、考核要求
1.识记:螺纹联接、键联接、花键联接和销联接的基本类型和用途;螺纹的分类及主要参数意义;轴的分类;防止触电的保护措施;滑动轴承和滚动轴承的结构、特点及应用。
第五章 建筑机械常用部件
一、学习目的和要求
熟悉联轴器、离合器和制动器的种类和应用;了解减速器的类型、结构和应用;具有合理使用联轴器、离合器、制动器和减速器的能力。
二、课程内容
第一节 联轴器
第二节 离合器
第三节 制动器
第四节 减速器
三、考核知识点
(一)联轴器、离合器和制动器的种类、功用、特点
(二)减速器的类型和特点
四、考核要求
1.识记:联轴器、离合器和制动器的种类和应用;减速器的类型和特点。
2.领会:具有合理使用联轴器、离合器、制动器和减速器的能力。
第六章 液压元件
一、学习目的和要求
了解液压泵、液压马达和液压缸的结构、应用和工作原理;熟悉液压控制阀的分类、功用和工作原理;了解油箱、油管、管接头、滤油器的结构、应用和工作原理。
二、课程内容
第一节 液压泵
第二节 液压缸和液压马达
第三节 液压控制阀
第四节 液压辅助元件
三、考核知识点
(一)液压泵结构、应用和主要参数
(二)液压缸的类型、参数计算和功用
(三)液压控制阀的分类、功用和工作原理
(四)油箱、油管、管接头、滤油器的结构、应用
四、考核要求
1.识记:液压泵结构、应用和主要参数;液压缸的类型、参数计算和功用;液压控制阀的分类、功用和工作原理;油箱、油管、管接头、滤油器的结构、应用。
第七章 简单液压系统及液压基本回路
一、学习目的和要求
熟悉液压传动的工作原理、特点和组成;了解液压系统的图形符号;熟悉液压基本回路,能看懂液压系统图;了解建筑机械典型液压系统。
二、课程内容
第一节 液压传动工作原理
第二节 液压传动系统组成
第三节 控制回路
第四节 液压传动的特点及应用
三、考核知识点
(一)液压传动的工作原理、特点和基本参数
(二)液压控制回路
(三)建筑机械典型液压系统的工作原理
四、考核要求
1.识记:液压传动的工作原理、特点和基本参数;液压控制回路。
2.领会:看懂液压系统图。
第八章 塔式起重机械
一、学习目的和要求
熟悉起重机械的类型和起重机的主要性能参数;掌握塔式起重机的类型、特点和工作过程;了解QTZ80型塔式起重机的构造、工作原理和使用场合;能够在工程施工过程中正确选择使用塔式起重机。
二、课程内容
第一节 起重机械概述
第二节 塔式起重机概述
第三节 QTZ80型塔式起重机
第四节 塔式起重机的使用
三、考核知识点
(一)起重机械的类型和起重机的主要性能参数
(二)塔式起重机的类型、特点和工作过程
(三)QTZ80型塔式起重机的构造、工作原理和使用场合
(四)塔式起重机的选择原则及要求
四、考核要求
1.识记:起重机械的类型和起重机的主要性能参数;塔式起重机的类型、特点和工作过程;QTZ80型塔式起重机的构造、工作原理和使用场合。
2.领会:塔式起重机的选择原则及要求。
第九章 其他起重机械
二、学习目的和要求
掌握卷扬机、汽车起重机、轮胎起重机、履带起重机及施工升降机的类型、特点和工作过程;汽车起重机、轮胎起重机、履带起重机及施工升降机的构造、工作原理和使用场合;能够在工程施工过程中正确选择使用卷扬机、汽车起重机、轮胎起重机、履带起重机、机械升降机。
二、课程内容
第一节 卷扬机
第二节 施工升降机
第三节 自行式起重机
第四节 自行式起重机吊装工艺
三、考核知识点
(一)卷扬机、汽车起重机、轮胎起重机、履带起重机及施工升降机的类型、特点和工作过程
(二)汽车起重机、轮胎起重机、履带起重机及施工升降机的构造、工作原理和使用场合
(三)自行式起重机的吊装工艺选择起重机依据的计算及选择
四、考核要求
1.识记:卷扬机、汽车起重机、轮胎起重机、履带起重机及施工升降机的类型、特点和工作过程;汽车起重机、轮胎起重机、履带起重机及施工升降机的构造、工作原理和使用场合。
2. 领会:正确选择起重机。
第十章 土方机械
一、学习目的和要求
掌握推土机、铲运机、挖掘机及装载机的类型、特点和工作过程;了解推土机、铲土机、挖掘机、装载机的构造、工作原理和使用场合;能够在土方工程施工过程中组织土方机械施工;能计算机械生产率。
二、课程内容
第一节 推土机
第二节 铲运机
第三节 挖掘机
第四节 装载机
三、考核知识点
(一)推土机、铲运机、挖掘机及装载机的类型、特点和工作过程
(二)推土机、铲土机、挖掘机、装载机的构造、工作原理和使用场合
(三)土方机械生产率的计算
四、考核要求
1.识记:推土机、铲运机、挖掘机及装载机的类型、特点和工作过程;推土机、铲土机、挖掘机、装载机的构造、工作原理和使用场合。
2.应用:土方机械生产率的计算。
第十一章 桩工机械
一、学习目的和要求
了解桩工机械的类型和施工方法;熟悉预制桩和灌注桩的施工机械和施工过程;掌握螺旋钻孔机、钻孔机、钻扩机、柴油桩锤打桩机、气动桩锤打桩机的类型和特点;了解柴油桩捶打桩机、气动桩捶打桩机的构造、工作原理、使用场合及安全操作规程;能够在工程过程中正确选择使用打桩机、螺旋钻孔机、钻扩机等桩工机械。
二、课程内容
第一节 桩工机械总论
第二节 灌注桩成孔机械
第三节 柴油桩捶打桩机
第四节 蒸汽桩捶打桩机
三、考核知识点
(一)液压传动的工作原理、特点和基本参数
(二)液压控制回路
(三)建筑机械典型液压系统的工作原理
四、考核要求
1.识记:液压传动的工作原理、特点和基本参数;液压控制回路。
2.领会:看懂液压系统图。
第十二章 钢筋机械
一、学习目的和要求
了解钢筋机械的类型和工作原理;熟悉钢筋冷拉的特点和方法;掌握钢筋冷拉机、钢筋冷拔机、钢筋调直切断机、液压式钢筋切断机、钢筋弯曲机、钢筋对焊机、钢筋点焊机、钢筋网成型机、液压式张拉机的构造、钢筋加工过程和使用场合。
二、课程内容
第一节 钢筋冷加工机械
第二节 钢筋成型机械
第三节 钢筋连接机械
第四节 预应力张拉机械
三、考核知识点
(一)钢筋冷拉的特点和方法
(二)钢筋冷拉机、钢筋冷拔机、钢筋调直切断机、液压式钢筋切断机、钢筋弯曲机、钢筋对焊机、钢筋点焊机、钢筋网成型机、液压式张拉机的构造、钢筋加工过程和使用场合。
四、考核要求
1.识记:钢筋冷拉的特点和方法;钢筋冷拉的特点和方法;钢筋冷拉机、钢筋冷拔机、钢筋调直切断机、液压式钢筋切断机、钢筋弯曲机、钢筋对焊机、钢筋点焊机、钢筋网成型机、液压式张拉机的构造、钢筋加工过程和使用场合。
第十三章 混凝土机械
三、学习目的和要求
了解混凝土机械的类型和工作原理;熟悉混凝土的配料方法;掌握混凝土搅拌机(搅拌楼和搅拌站),混凝土泵,混凝土搅拌运输车,混凝土振动器的构造、类型和特点;熟悉混凝土搅拌机(搅拌楼和搅拌站)、混凝土泵、混过凝土搅拌运输车、混凝土振动器的使用场合和安全操作规程。能够在混凝土施工过程中正确选择使用混凝土搅拌机(搅拌楼和搅拌站)、混凝土泵、混凝土搅拌运输车、混凝土振动器等混凝土机械。
二、课程内容
第一节 混凝土搅拌机械
第二节 混凝土泵
第三节 混凝土搅拌运输车
第四节 混凝土振动器
三、考核知识点
(一)混凝土搅拌机(搅拌楼和搅拌站)的构造、类型、特点、使用场合和安全操作
(二)混凝土泵的工作原理、构造、类型、特点、使用场合和安全操作
(三)混凝土搅拌运输车的构造、类型、特点、使用场合和安全操作
(四)混凝土振动器的作用、构造、分类、特点、使用场合和安全操作
四、考核要求
1.识记:混凝土搅拌机(搅拌楼和搅拌站)的构造、类型、特点、使用场合和安全操作;混凝土泵的工作原理、构造、类型、特点、使用场合和安全操作;混凝土搅拌运输车的构造、类型、特点、使用场合和安全操作;混凝土振动器的作用、构造、分类、特点、使用场合和安全操作。
2. 领会:能够在混凝土施工过程中正确选择使用混凝土搅拌机(搅拌楼和搅拌站)、混凝土泵、混凝土搅拌运输车、混凝土振动器等混凝土机械。
第十四章 装饰(修)机械
一、学习目的和要求
了解装饰机械的类型和工作原理;掌握灰浆搅拌机、灰浆泵、地面抹光机、水磨石机、地板刨平机、地面磨光机、喷石机、大理石切割机、金刚石切割机、电钻、电锤、装修吊篮的构造、类型和特点;熟悉灰浆搅拌机、装修吊篮的使用和安全操作规程。
二、课程内容
第一节 常用装饰机械
第二节 其他装饰机械
三、考核知识点
(一)装饰机械的类型和工作原理
(二)灰浆搅拌机、灰浆泵、地面抹光机、水磨石机、地板刨平机、地面磨光机、喷石机、大理石切割机、金刚石切割机、电钻、电锤、装修吊篮的构造、类型和特点
四、考核要求
1.识记:装饰机械的类型和工作原理;灰浆搅拌机、灰浆泵、地面抹光机、水磨石机、地板刨平机、地面磨光机、喷石机、大理石切割机、金刚石切割机、电钻、电锤、装修吊篮的构造、类型和特点。
第三部分 关于大纲的说明与考核实施要求
一、自学考试大纲的目的和作用
课程自学考试大纲是根据专业自学考试计划的要求,结合自学考试的特点而确定的。其目的是对个人自学、社会助学和课程考试命题进行指导和规定。
课程自学考试大纲明确了课程学习的内容以及深广度,规定了课程自学考试的范围和标准。因此,它是编写自学考试教材和辅导书的依据,是社会助学组织进行自学辅导的依据,是自学者学习教材、掌握课程内容知识范围和程度的依据,也是进行自学考试命题的依据。二、课程自学考试大纲与教材的关系
课程自学考试大纲是进行学习和考核的依据,教材是学习掌握课程知识的基本内容与范围,教材的内容是大纲所规定的课程知识和内容的扩展与发挥。
大纲与教材所体现的课程内容应基本一致;大纲里面的课程内容和考核知识点,教材里一般也要有。反过来教材里有的内容,大纲里就不一定体现。(注:如果教材是推荐选用的,其中有的内容与大纲要求不一致的地方,应以大纲规定为准。
三、关于自学教材与主要参考书
指定教材: 《建筑机械》,查辉,安徽科学技术出版社,2011年
四、自学要求
本大纲的课程基本要求是依据专业考试计划和专业培养目标而确定的。课程基本要求还明确了课程的基本内容,以及对基本内容掌握的程度。基本要求中的知识点构成了课程内容的主体部分。因此,课程基本内容掌握程度、课程考核知识点是高等教育自学考试考核的主要内容。为有效地指导个人自学和社会助学,本大纲已指明了课程的重点和难点,在各章的基本要求中也指明了各章内容的重点和难点。
本大纲在考核目标中,按照“识记”、“理解”与“应用”三个知识能力层次规定其应达到的能力层次要求。各能力层次为递进关系,后者必须建立在前者的基础上,其含义是:
识记:能知道有关名词、要领、知识的定义或含义,并能正确认知和表达,是低层次的要求。
理解:在识记的基础上,能全面把握基本概念、基本原理和基本方法,能掌握有关概念、原理、方法的区别与联系,是较高层次的要求。
应用:在理解的基础上,能运用基本概念、基本原理、基本方法联系学过的多个知识点分析和解决有关的理论问题和实际问题,是最高层次的要求。
五、自学方法指导
1.在开始阅读指定教材某一章前,先翻阅大纲中有关这一章的考核知识点及对知识点的能力层次要求和考核目标,以便阅读教材时做到心中有数,有的放矢。
2.阅读教材时,要逐段细读,逐句推敲,集中精力,吃透每一个知识点,对基本概念必须深刻理解,对基本理论必须彻底弄清,对基本方法必须牢固掌握。
3.在自学过程中,既要思考问题,也要做好阅读笔记,把教材中的基本概念、原理、方法等加以整理,这可从中加深对问题的认知、理解和记忆,以利于突出重点,并涵盖整个内容,可以不断提高自学能力。
4.完成书后作业和适当的辅导练习是理解、消化和巩固所学知识,培养分析问题、解决问题及提高能力的重要环节,在做练习前,应认真阅读教材,按考核目标所要求的不同层次,掌握教材内容,在狭隘习过程中对所学知识进行合理的回顾与发挥,注重理论联系实际和具体问题具体分析,解题时应注意培养逻辑性,针对问题围绕相关知识点进行层次(步骤)分明的论述或推导,明确各层次(逻辑)间的逻辑关系。
5.正确处理理论与实际、学习与运用的关系。学习中要坚持理论联系实际,学习致用,提高分析问题和解决问题的能力。要关心当前的经济改革,注意经济新变化,学习用所学理论和方法分析问题。
六、对社会助学的要求
1.应熟知考试大纲对课程提出的总要求和各章的知识点。
2.应掌握各知识点要求达到的能力层次,并深刻理解对各知识点的考核目标。
3.辅导时,应以考试大纲为依据,指定的教材为基础,不要随意增删内容,以免与大纲脱节。
4.辅导时,应对学习方法进行指导,宜提倡“认真阅读教材,刻苦钻研教材,主动争取帮助,依靠自己学通”的方法。
5.辅导时,要注意突出重点,对考生提出的问题,不要有问即答,要积极启发引导。
6.注意对应考者能力的培养,特别是自学能力的培养,要引导考生逐步学会独立学习,在自学过程中善于提出问题,分析问题,做出判断,解决问题。
7.要使考生了解试题的难易与能力层次高低两者不完全是一回事,在各个能力层次中会存在着不同难度的试题。
8.助学学时:本课程3学分,建议总学时 54学时,理论助学学时分配见下表:
章次 | 内容 | 学时 |
第一章 | 建筑机械常用材料 | 3 |
第二章 | 建筑机械常用机构 | 3 |
第三章 | 建筑机械常用机械传动 | 4 |
第四章 | 建筑机械常用零件 | 4 |
第五章 | 建筑机械常用部件 | 4 |
第六章 | 液压元件 | 4 |
第七章 | 简单液压系统及液压基本回路 | 4 |
第八章 | 塔式起重机械 | 4 |
第九章 | 其他起重机械 | 4 |
第十章 | 土方机械 | 4 |
第十一章 | 桩工机械 | 4 |
第十二章 | 钢筋机械 | 4 |
第十三章 | 混凝土机械 | 4 |
第十四章 | 装饰(修)机械 | 4 |
合 计 | 54 | |
七、对考核内容与考核目标的说明
1.本课程要求考生学习和掌握的知识点内容都作为考核的内容。课程中各章的内容均由若干知识点组成,在自学考试中成为考核知识点。因此,本大纲中所规定的考试内容是以分解为考核知识点的方式给出的。由于各知识点在课程中的地位、作用以及知识自身的特点不同,本大纲对各知识点明确了考核目标,使自学应考者能够进一步明确考核知识点和要求,更有目的地系统学习教材;使考试命题能够更加明确命题范围,更准确地安排试题的知识能力层次和难易度。本大纲在考核要求中,对各知识点分别按照识记、领会、简单应用、综合应用四个层次规定其应达到的能力层次的考核要求。四个能力层次是递进等级关系,各个能力层次的含义是:
识记:要求考生能知道本课程中的有关名词、概念、原理、知识的含义,并能正确认识或识别。
领会:要求在识记的基础上,能全面把握基本概念、基本原理、基本方法;能掌握有关概念、原理、方法的区别与联系。
简单应用:要求在领会的基础上,能运用本课程中的基本概念、基本原理、基本方法中的少量知识点,分析和解决一般的理论问题和实际问题。
综合应用:要求在简单应用的基础上,能运用学过的本课程规定的多个知识点,综合分析和解决比较复杂的理论问题和实际问题。
2.凡大纲、教材内容与现行法律、法规不符的,应以现行法律法规为准。
3.本门课程的考核与评价方式为笔试+过程考核,笔试考试成绩满分为100分,按60%计入总成绩;过程考核成绩满分为100分,按40%计入总成绩。
八、关于试卷结构及考试的有关说明
1.本大纲各章所规定的考核要求中各知识点都是考试的内容。试题覆盖到章,适当突出重点章节,加大重点内容的覆盖密度。
2.命题不应有超出大纲中考核知识点范围的试题,考核目标不得高于大纲中所规定的相应最高能力层次要求。命题主要考核自学者对基本概念、基本知识和基本理论是否了解和掌握,对基本方法是否会用或熟练。
3.识记、领会、简单应用、综合应用四个认知层次的试题在试卷中所占的分数比例依次约为:20%、30%、30%、20%.
4.试题的难度可分为:容易、中等偏易、中等偏难、难;它们在试卷中所占分数比例依次大致为:20%、30%、30%、20%.
5.试题的题型有:
(一)填空题
示例:使两物体直接接触而又能产生一定相对运动的联接,称为 。
(二)选择题
示例:以下选项中不属于带传动特点的是( )
A. 由于带传动具有良好的弹性,所以能缓和冲击,吸收振动,传动平稳,无噪音,但因带传动存在滑动现象,所以不能保证恒定的传动比。
B. 带传动与带轮是通过抹茶李传递运动和动力的。
C. 不适宜在两轴中心距较大的场合,外轮廓尺寸较大。
D. 结构简单,制造、安装、维护方便,成本低。
(三)计算题
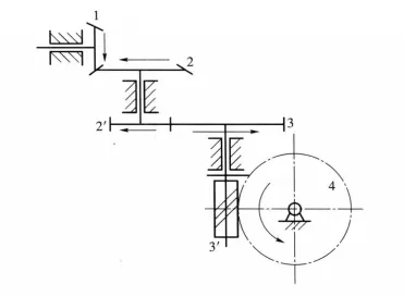
示例:下图中所示轮系中,Z1=16,Z2=32,Z2’=20,Z3=40,Z3’=2(右旋)。若n1=800r/min,其转向如图所示,求蜗轮的转速n4及各轮的转向。
6.考试方式为笔试、闭卷;考试时间为 分钟;满分为100分,60分为及格线;考试时只允许带钢笔或圆珠笔、2B铅笔和橡皮。


工作时间 09:00-23:00